Raspberry Pi 3 Technical Drawing . 22.4 10.16 0.8 38 4 10.2 5.02 36 13.97 8.5 1.4 note: Version recommended power supply current capacity pi b 1.2 a pi a+ 700 ma pi b+ 1.8 a pi 2 b 1.8 a pi 3 b 2.5 a raspberry pi frequently asked questions page 2.
Raspberry Pi Mechanical Drawings & Dimensions Raspberry from www.raspberrypi-spy.co.uk
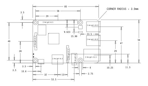
85mm x 56mm x 17mm. Where wireless connectivity is needed. That will bounce around all the other pins near it.
Raspberry Pi Mechanical Drawings & Dimensions Raspberry
The 3v3 supply will collapse under that level of load. Hq camera technical drawing large created date: The raspberry pi 3.3v supply was designed with a maximum current of ~3ma per gpio pin. Raspberry pi 3 model b.
Source: www.pinterest.com
And connect the b pin on the sensors to raspberry pi's gpio pins 3 and 16. There are many existing 3d models of raspberry pis available for free at grabcad.com. Here you will find mechanical drawings for all models of the raspberry pi including the pi 3, pi 2, pi zero, pi zero w, b+ and a+ as well as.
Source: raspberrycan.blogspot.com
1gb sdram @ 400 mhzstorage: Pi zero & pi zero w. 4 x usb 2 ports. With 1.2ghz clock speed and 1 gb ram raspberry pi can perform all those advanced functions. Raspberry pi 3 model b+.
Source: core-electronics.com.au
If you load each pin with 16ma, the total current is 272ma. 4 x usb 2 ports. As for the current draw/power consumption, here are some numbers: The board draws its power from a micro usb adapter, with min range of 2. Art drawing is one of the toughest jobs once but now it become easy.
Source: candy-ho.com
Art drawing is one of the toughest jobs once but now it become easy. The raspberry pi 3v3 supply was designed with a maximum current of ~3ma per gpio pin. The raspberry pi 3 model b+ is the final revision in the raspberry pi 3 range. Raspberry pi 3 model b. 9 best os for raspberry pi 3 in 2022.
Source: www.raspberrypi-spy.co.uk
It uses an sd card for its operating system and data storage. Here you will find mechanical drawings for all models of the raspberry pi including the pi 3, pi 2, pi zero, pi zero w, b+ and a+ as well as the original pi model b. Upgraded switched power source up to 2.5 amps (can now power even more.
Source: www.raspberrypi.org
Big current spikes will happen, especially if you have a capacitive load. Pi zero & pi zero w. 1gb sdram @ 400 mhzstorage: Hq camera technical drawing large created date: That will bounce around all the other pins near it.
Source: www.raspberrypi-spy.co.uk
The 3.3v supply will collapse under that level of load. 85mm x 56mm x 17mm. And connect the b pin on the sensors to raspberry pi's gpio pins 3 and 16. Limit one per customer raspberry pi 3 model b board technical specifications: Big current spikes will happen, especially if you have a capacitive load.
Source: www.raspberrypi-spy.co.uk
Pi zero & pi zero w. Bluetooth low energy (ble) on board. Version recommended power supply current capacity pi b 1.2 a pi a+ 700 ma pi b+ 1.8 a pi 2 b 1.8 a pi 3 b 2.5 a raspberry pi frequently asked questions page 2. The drawings show the position of major components with dimensions. It uses an.
Source: www.raspiworld.com
75 ma *** idle *** raspberry pi 2 b: The 3.3v supply will collapse under that level of load. The drawings show the position of major components with dimensions. The raspberry pi is a tiny and affordable computer that you can use to learn programming through fun, practical projects. Big current spikes will happen, especially if you have a capacitive.